通常的雙管脈沖電路,總是一只管導通,另一只管截止。但是互補管脈沖電路不同,它具有如下特點:
(1)兩管同時導通或同時截止。
(2)一端輸出波形為陡上升慢下降,另一端輸出波形為陡下降慢上升,因此,兩端輸出通過微分后,就獲得一對極性要相反而又十分陡直的尖脈沖。
注意:這種電路引起電源功率波動較大,因為當兩管從截止轉至導通時,電流從零增至某數值。
一、互補管雙穩態電路
互補管雙穩態電路見圖1(a)。當接通電源后,若無觸發信號作用,由于集極電流極小,Rc1、Rc2的端電壓[供電給兩管的偏流]也很小,故兩管都截止,電路處于一種穩定狀態。


圖1、互補管雙穩態電路
當觸發脈沖作用下,設BG1由截止轉入放大,并產生下述的雪崩式正反饋過程


很快地使兩管飽和導通,處于另一穩定狀態,電容C1是加速電容,由圖1(b)可見,uc1從Ec陡直地下降至零,而Uc2卻從零陡直地上升至Ec。
要使狀態回到原來的穩態,必須供給BG1或BG2的基極一個負尖脈沖,正反饋的翻轉過程與上述類似,電路圖1(C)是單端輸出電路,圖2是另一類互補雙穩電路,它直接從普通的雙穩電路轉變過來。


二、互補管多諧振蕩電路
互補管多諧振蕩電路見圖3。該電路仍然由兩級集基阻容耦合的倒相器組成,當電路接通電源時,兩管不能馬上導通,因為CA、CB的充電路徑是:Ec→R2→CA→Rc1;CB的充電路徑是:Ec→Rc2→CB→R1.當CA和CB充電到一定數值后,UCA、UCB作為兩管基極回路的正向偏置電壓,使Ib1、Ib2增加,由于正反饋的作用,很快地使BG1、BG2飽和,這是一種暫穩態。


圖三、互補多諧振蕩電路
飽和一開始,CA經Rb2、BG2的發射結構及電阻Rc1放電(CA放完電后,雙被Uc1反向對CA充電,這時,UcA為左正右負)而CB通過Rc2、BG1的的發射結及Rb1放電,隨著CA、CB放電過程,Ube1不斷增加,而Ube2不斷減小,直至兩管由飽和退至放大狀態,從而引起下列“雪崩”式的正反饋:


結果使BG1、BG2截止,接著CA、CB又進行充電,如此重復。就可獲得如圖3(b)的輸出脈沖波,設電路對稱,即CA=CB=C,Rb1=Rb2=Rb,R1=R2=R,Rc1=Rc2=Rc脈沖寬度為:
t1=c(Rb+rbe)In{Ec/[Ubes+(Ec/Rb)Rc]}
t2≈0.7Rc
選擇晶體管的β應滿足Rb<βRc,根據圖3(a)電路的參數可算出t1=10毫秒,t2=750毫秒,占空比(t1/t2)=75.
三、其他的互補管脈沖電路
其他的互補管脈沖電路有以下三種。
1、互補管單穩態電路
圖4示出兩種形式的互補管單穩態電路,圖4(b)為常態時兩管飽和的互補管單穩態電路。當滿足條件,R2<β1、R1及R3<β2、R4時電路處于兩管飽和的穩態,當負脈沖作用于BG1基極,BG1退出飽和,且引起反應Uc1↑→Ub2↑→Uc2↓→Ub1↓。正反饋連鎖反應的結果,使BG1、BG2均截止,此為暫穩態。此時C通過R2、R4及電源放電,放電完后又進入兩管飽和的穩定狀態。二極管D是防止C的電壓擊穿BG1的基-射結,脈沖寬度為:
tr=0.7(R2+R4)C
圖4(b)為常態時兩管截止的互補單穩態電路


圖4、互補管單穩態電路
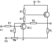
2、互補管施密特觸發器
圖5為互補管施密特觸發器,本電路是依靠直流電位觸發的施密特電路,在工作過程中。兩管同時飽和或同時截止。
當ui處于低電平時,由ui和-Eb所引起的ub1為負值,BG1截止,又因R3無電源,所以BG2也截止,處于一種穩定狀態。
當ui上升到高電平時,ub1達到BG1的導通閥電壓,BG1開始導通,經過BG1、BG2的連鎖正反饋作用。最后使BG1、BG2同時導通,這是另一種穩定狀態。
R5與電路因差的大小有關,R5越大,回差就越小。


圖5、互補管施密特觸發器


圖6、互補管的鋸齒波電路
3、互補管的鋸齒波電路
圖6為互補管的鋸齒波電路,這是自激式互補的鋸齒波電路,其中由BG1、BG2組成開關器,以控制定時電容C的充放電,BG3為恒流管。
當BG1、BG2均截時,恒流Ic3對C充電(極性如圖6所示)輸出電壓uo隨時間線性下降,這是掃描電壓的正程,當電容電壓Uc下降到BG2的導通閥電壓時,BG2開始導通,BG1、BG2經過正反饋連鎖反應時到達了飽和狀態,此時C經過BG1、BG2一直停留在飽和狀態而不返回到截止狀態。
〈烜芯微/XXW〉專業制造二極管,三極管,MOS管,橋堆等,20年,工廠直銷省20%,上萬家電路電器生產企業選用,專業的工程師幫您穩定好每一批產品,如果您有遇到什么需要幫助解決的,可以直接聯系下方的聯系號碼或加QQ/微信,由我們的銷售經理給您精準的報價以及產品介紹
聯系號碼:18923864027(同微信)
QQ:709211280

