整流簡介
在電力電子方面:將交流電變換為直流電稱為AC/DC變換,這種變換的功率流向是由電源傳向負載,稱之為整流。
通過整流器能把交流電(大小和方向都發生周期性變化的交流電)變換為我們電子、電腦設備可用的直流電(大小和方向都不變的直流電)。
半橋整流,全橋整流介紹


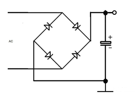
全橋整流需要使用四只二極管,每一只是電橋的一個臂,首尾相接構成一個環,輸入與輸出不能對換;
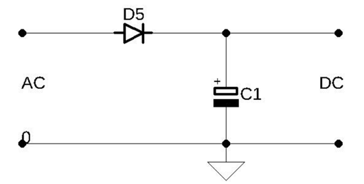
半橋整流則只需要使用兩只二極管,兩者輸出端相連,輸入端則分別連在變壓器的兩端,從結構上來說比起全橋整流要更為簡單。
半橋整流電路:


全橋整流電路:


關于整流橋
整流橋就是指將半橋整流或全橋整流所用的二極管封裝到一起后的一個元件,有分為全橋式整流管和半橋式整流橋,一般全橋式整流橋封裝有 4 只二極管,外部有 4 只引腳,可直接實現全波整流;半橋式整流橋則封裝有 2 個二極管,可用兩只組成一個全橋整流電路以實現全波整流,也可以采用一個半橋式整流器配合中心抽頭型變壓器的方式實現全波整流。
半橋整流,全橋整流的區別
一般半橋整流多見于主流級PC電源,全橋整流者則是高功率電源的??汀km然半橋整流和全橋整流可以輸出相同波形電壓和電流,但是在整流過程中,兩者所承擔的反向電壓和電流是不一樣的。
半橋整流輸出電壓的峰值只有輸入電壓的一半,因此在輸出功率相同的情況下,半橋整流需要承擔兩倍于全橋整流的反向電壓或者電流,因此半橋整流對二極管的規格有較高的要求。
半橋整流只需要 2 只二極管,全橋整流需要 4 只;
半橋整流實現全波整流需要使用中心抽頭型變壓器;
輸出功率相同的情況下,半橋整流所需要承受的反向電壓或電流是全橋整流的 2 倍;
半橋整流后續電路設計相對簡單,全橋整流后續電路設計相對復雜。
〈烜芯微/XXW〉專業制造二極管,三極管,MOS管,橋堆等,20年,工廠直銷省20%,上萬家電路電器生產企業選用,專業的工程師幫您穩定好每一批產品,如果您有遇到什么需要幫助解決的,可以直接聯系下方的聯系號碼或加QQ/微信,由我們的銷售經理給您精準的報價以及產品介紹
聯系號碼:18923864027(同微信)
QQ:709211280

