與非門R-S鎖存器
R-S鎖存器是靜態存儲單元中最基本的一種電路結構,通常由兩個或非門或者與非門組成,下圖為與非門搭建R-S鎖存器的電路結構圖。

基本RS鎖存器由電平觸發,并且有一個重要的約束條件:/SD和/RD不能同時為零。
即存在約束條件 RD ·SD=0

其中Q為初態,Q*為次態
電平觸發器
觸發器通常分為電平觸發,邊沿觸發,脈沖觸發
電平觸發RS鎖存器
由兩個與非門和SR鎖存器組成電平觸發器

只有當CLK=1為高電平時,G3、G4輸出端才收R和S輸入端控制
帶異步復位,異步置位的電平觸發RS鎖存器
只需在/SD和/RD加入低電平,即可將觸發器置1和置0;在正常由時鐘信號控制情況下/SD和/RD應為高電平。

電平觸發D觸發器
電平觸發D觸發器,也稱D型鎖存器

若D為1,在CLK=1期間,輸出端Q為1,在CLK=0低電平期間,輸入端D無效,輸入端與非門置1,輸出端Q保持不變;若D為0,在CLK=1期間,輸出端Q為0,在CLK=0低電平期間,輸出端Q保持0不變,完成了鎖存功能。
邊沿觸發器
為提高觸發器可靠性,增強抗干擾能力,希望觸發器的次態僅僅取決于CLK信號上升沿或下降沿時刻輸入信號的狀態,而之前和之后的狀態不對輸出造成影響。
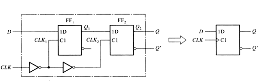
下圖為由兩個電平D觸發器搭建的邊沿觸發器

當CLK為低電平時,CLK1為高電平,FF1的輸出Q跟隨D變化而變化,保持Q1=D,此時CLK2為低電平,FF2的輸出Q2保持原來的狀態不變。
當CLK由低電平變高電平時,CLK1變為低電平,Q1保持為CLK上升沿到達前瞬間輸入端D的狀態(這也時setup存在的原因),此后不隨D的狀態而改變。而此時CLK2變為高電平,Q2跟隨當前時鐘沿傳輸的的數據Q1變化,此時Q被置位成時鐘上升沿瞬間D端的狀態,而于之后D的狀態無關。
〈烜芯微/XXW〉專業制造二極管,三極管,MOS管,橋堆等,20年,工廠直銷省20%,上萬家電路電器生產企業選用,專業的工程師幫您穩定好每一批產品,如果您有遇到什么需要幫助解決的,可以直接聯系下方的聯系號碼或加QQ/微信,由我們的銷售經理給您精準的報價以及產品介紹
聯系號碼:18923864027(同微信)
QQ:709211280

