本文介紹線性穩壓器和開關模式電源(SMPS)的基本概念。主要面向不太熟悉電源設計和選擇的系統工程師。還介紹了線性穩壓器和 SMPS 的基本工作原理并討論了每個解決方案的優缺點。此外,以降壓轉換器為例進一步說明了開關穩壓器的設計考慮因素。
簡介
當今的電子系統設計需要越來越多的供電軌和供電解決方案,負載范圍從備用電源的幾 mA 到 ASIC 穩壓器的 100A 以上不等。為目標應用選擇合適的解決方案并滿足指定的性能要求至關重要,如高效率、緊密印刷電路板(PCB)空間、準確的輸出電壓調節、快速瞬態響應、低解決方案成本等。對于許多可能沒有強大電源技術背景的系統設計者來說,電源管理設計工作變得越來越頻繁,越來越具有挑戰性。
電源轉換器從給定輸入電源為負載生成輸出電壓和電流。它需要在穩態和瞬態條件下滿足負載電壓或電流調節要求。還必須在組件出現故障時保護負載和系統。根據具體應用,設計人員可選擇線性穩壓器(LR)或開關模式電源(SMPS)解決方案。為了更好地選擇解決方案,設計人員必須熟悉各種方法的優點、缺點和設計考慮因素。
本文重點關注非隔離電源應用,并介紹其操作和設計基礎知識。
線性穩壓器
線性穩壓器的工作原理
我們先來舉個簡單的例子。在嵌入式系統中,前端電源提供一個 12V 總線供電軌。而在系統板上,運算放大器需要 3.3V 供電電壓。產生 3.3V 電壓最簡單的方式是對 12V 總線使用電阻分壓器,如圖 1 所示。效果好嗎?答案通常是否定的。在不同的工作條件下,運算放大器的 VCC 引腳電流可能有所不同。 如果使用固定電阻分壓器,IC VCC 電壓會隨著負載的不同而不同。而且,12V 總線輸入可能調節不佳。同一系統中可能有多個其他負載共用 12V 供電軌。由于總線阻抗,12V 總線電壓隨總線負載條件而變化。因此,電阻分壓器無法向運算放大器提供經過調節的 3.3V 電壓,來確保正常運行。因此,需要專用電壓調節環路。如圖 2 所示,反饋環路需要調節頂部電阻 R1 值,以便在 VCC 上動態調節 3.3V。


圖 1. 電阻分壓器從 12V 總線輸入生成 3.3VDC


圖 2. 反饋環路調整串聯電阻 R1 值以調節 3.3V
使用線性穩壓器可實現這種可變電阻,如圖 3 所示。線性穩壓器以線性模式操作雙極性或場效應功率晶體管(FET)。因此,晶體管作為可變電阻與輸出負載串聯。為建立反饋環路,從概念上講,誤差放大器通過采樣電阻網絡 RA 和 RB 檢測直流輸出電壓,然后將反饋電壓 VFB 與基準電壓 VREF 進行比較。誤差放大器輸出電壓通過電流放大器驅動串聯功率晶體管的基極。當輸入 VBUS 電壓減小或負載電流增大時,VCC 輸出電壓下降。反饋電壓 VFB 也下降。因此,反饋誤差放大器和電流放大器產生更多的電流饋入晶體管 Q1 的基極。這就減少了壓降 VCE,而恢復 VCC 輸出電壓,使 VFB 等于 VREF。而另一方面,如果 VCC 輸出電壓增加,負反饋電路也會增加 VCE,確保精確調節 3.3V 輸出。總而言之,VO 的任何變化都會被線性穩壓器晶體管的 VCE 電壓吸收。因此,輸出電壓 VCC 始終保持恒定,并得到良好的調節。


圖 3. 線性穩壓器實現可變電阻以調節輸出電壓
為何使用線性穩壓器?
很長一段時間以來,線性穩壓器一直廣泛應用于工業領域。在開關模式電源自 20 世紀 60 年代問世普及之前,線性穩壓器始終是電源行業的基礎元件。即便是今天,線性穩壓器仍然廣泛應用于各種應用領域。
除了使用簡單,線性穩壓器還具有其他性能優勢。電源管理供應商開發了許多集成式線性穩壓器。典型的集成式線性穩壓器僅需 VIN、VOUT、FB 和可選 GND 引腳。圖 4 顯示了 20 多年前 ADI 公司開發的典型 3 引腳線性穩壓器 LT1083。僅需 1 個輸入電容、1 個輸出電容和 2 個反饋電阻即可設置輸出電壓。幾乎任何電氣工程師都可以使用這些簡單的線性穩壓器來設計電源。


圖 4. 集成式線性穩壓器示例:只有 3 個引腳的 7.5A 線性穩壓器
一個缺點——線性穩壓器非常耗電
使用線性穩壓器的一個主要缺點是其串聯晶體管 Q1 在線性模式下工作的功耗過高。如前所述,線性穩壓器晶體管從概念上講是一個可變電阻。由于所有負載電流都必須通過串聯晶體管,其功耗為 PLoss = (VIN – VO) •IO。在這種情況下,線性穩壓器的效率可通過以下公式快速估算:


因此,在圖 1 的示例中,當輸入為 12V,輸出為 3.3V 時,線性穩壓器效率只有 27.5%。在該例中,72.5%的輸入功率被浪費,并在穩壓器中產生熱量。這意味著,晶體管必須具有散熱能力,以便在最大 VIN 和滿負載的最壞情況下處理功耗和散熱問題。因此,線性穩壓器及其散熱器的尺寸可能很大,特別是當 VO 比 VIN 小很多時。圖 5 顯示線性穩壓器的最大效率與 VO/VIN 比率成正比。


圖 5. 最大線性穩壓器效率與 VO/VIN 比率
另一方面,如果 VO 接近 VIN,則線性穩壓器的效率很高。但是,線性穩壓器(LR)還有一個限制,即 VIN 和 VO 之間的最小電壓差。LR 中的晶體管必須在線性模式下工作。因此,雙極性晶體管的集電極到發射極或 FET 的漏極到源極之間需要一定程度的最小壓降。如果 VO 太接近 VIN,LR 可能就無法調節輸出電壓。能夠以低裕量(VIN – VO)工作的線性穩壓器稱為低壓差穩壓器(LDO)。
很明顯,線性穩壓器或 LDO 只能提供降壓 DC/DC 轉換。在需要 VO 電壓比 VIN 電壓高,或需要從正 VIN 電壓獲得負 VO 電壓的應用中,線性穩壓器顯然不起作用。
均流線性穩壓器實現高功率[8]
對于需要更多功率的應用,必須將穩壓器單獨安裝在散熱器上以便散熱。在全表面貼裝系統中,這種做法不可行,因此功耗限制(例如 1W)會限制輸出電流。遺憾的是,要直接并聯線性穩壓器來分散產生的熱量并不容易。
用精密電流源替換圖 3 所示的基準電壓,能夠直接并聯線性穩壓器以分散電流負載,由此分散 IC 上消散的熱量。這樣就能夠在高輸出電流、全表面貼裝應用中使用線性穩壓器,在這些應用中,電路板上的任何一個點都只能消散有限的熱量。
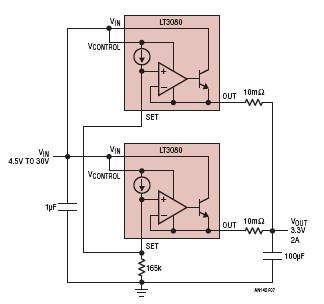
ADI 公司的 LT3080 是首個可調線性穩壓器,可并聯使用以增加電流。如圖 6 所示,其精密零 TC 10µA 內部電流源連接到運算放大器的非反相輸入。通過使用外部單電壓設置電阻 RSET,可將線性穩壓器的輸出電壓從 0V 調節到(VIN – VDROPOUT)。


圖 6. 具有精密電流源基準的單電阻設置 LDO LT3080
圖 7 顯示了并聯 LT3080 實現均流有多簡單。只需將 LT3080 的 SET 引腳連接在一起,兩個穩壓器的基準電壓就相同。由于運算放大器經過精密調整,調整引腳和輸出之間的失調電壓小于 2mV。在這種情況下,只需 10mΩ鎮流電阻(小型外部電阻和 PCB 走線電阻之和)即可平衡負載電流,且均流超過 80%。還需要更多功率?并聯 5 到 10 個設備也是合理的。


圖 7. 并聯兩個 LT3080 線性穩壓器以增加輸出電流
更適合使用線性穩壓器的應用
在許多應用中,線性穩壓器或 LDO 可提供出色的開關電源解決方案,包括:
1. 簡單 / 低成本解決方案:線性穩壓器或 LDO 解決方案簡單易用,特別適用于熱應力不太重要的具有低輸出電流的低功耗應用。無需使用外部電源電感。
2. 低噪聲 / 低紋波應用:對于噪聲敏感型應用,如通信和射頻器件,盡可能減少電源噪聲非常重要。線性穩壓器的輸出電壓紋波很低,因為不會頻繁開關元件,但帶寬很高。因此,幾乎沒有 EMI 問題。一些特殊的 LDO(如 ADI LT1761 LDO 系列)在輸出端的噪聲電壓低至 20μVRMS。SMPS 幾乎無法達到這種低噪聲電平。即使采用極低 ESR 電容,SMPS 通常也有 1mV 輸出紋波。
3. 快速瞬態應用:線性穩壓器反饋環路通常在內部,因此無需外部補償。一般來說,線性穩壓器的控制環路帶寬比 SMPS 更寬,瞬態響應更快。
4. 低壓差應用:對于輸出電壓接近輸入電壓的應用,LDO 可能比 SMPS 更高效。還有超低壓差 LDO (VLDO),如 ADI LTC1844、LT3020 和 LTC3025,其壓差為 20mV 至 90mV,電流高達 150mA。最小輸入電壓可低至 0.9V。由于 LR 中沒有交流開關損耗,因此 LR 或 LDO 的輕負載效率類似于其滿負載效率。由于交流開關損耗,SMPS 通常具有更低的輕負載效率。在輕負載效率同樣重要的電池供電應用中,LDO 提供的解決方案比 SMPS 更好。
綜上所述,設計人員使用線性穩壓器或 LDO 是因為它們簡單、噪聲低、成本低、易于使用并提供快速瞬態響應。如果 VO 接近 VIN,LDO 可能比 SMPS 更高效。
烜芯微專業制造二極管,三極管,MOS管,橋堆等20年,工廠直銷省20%,4000家電路電器生產企業選用,專業的工程師幫您穩定好每一批產品,如果您有遇到什么需要幫助解決的,可以點擊右邊的工程師,或者點擊銷售經理給您精準的報價以及產品介紹
烜芯微專業制造二極管,三極管,MOS管,橋堆等20年,工廠直銷省20%,4000家電路電器生產企業選用,專業的工程師幫您穩定好每一批產品,如果您有遇到什么需要幫助解決的,可以點擊右邊的工程師,或者點擊銷售經理給您精準的報價以及產品介紹

