1.結構
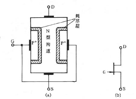
下圖中示出了N溝道結型場效應管的結構示意圖以及它在電路中的符號。


在一塊N型硅棒的兩側,利用合金法、擴散法與其他工藝做成摻雜程度比較高的P型區(用符號P+表示),則在P+型區和N型區的交界處將形成一個PN結,或稱耗盡層。將兩側的P+型區連接在一起,引出一個電極,稱為柵極(G),再在N型硅棒的一端引出源極(S),另一端引出漏極(D),見圖(a)。如果在漏極和源極之間加上一個正向電壓,即漏極接電源正端,源極接電源負端,則因為N型半導體中存在多數載流子電子,因而可以導電。這種場效應管的導電溝道是N型的,所以稱為N溝道結型場效應管,其電路符合見圖(b)。注意電路符號中,柵極上的箭頭指向內部,即由P+區指向N區。
2. 工作原理
從結型場效應管的結構已經看出,在柵極和導電溝道之間存在一個PN結。假設在柵極和源極之間加上反向電壓UGS,使PN結反向偏置,則可以通過改變UGS的大小來改變耗盡層的寬度。例如,當反向電壓的值|UGS|變大時,耗盡層將變寬,于是導電溝道的寬度相應地減小,使溝道本身的電阻值增大,于是,漏極電流ID將減少。所以,通過改變UGS的大小,即可控制漏極電流ID的值。
由于導電溝道的半導體材料(例如N區)摻雜程度相對比較低,而柵極一邊(例如P+區)的摻雜程度很高,因此當反向偏置電壓值升高時,耗盡層總的寬度將隨之增大。但交界面兩側耗盡層的寬度并不相等。因此,摻雜程度低的N型導電溝道中耗盡層的寬度比高摻雜的P+區柵極一側耗盡層的寬度大得多。可以認為,當反向偏置電壓增大時,耗盡層主要向著導電溝道一側展寬。
改變柵極和源極之間的電壓UGS,即可控制漏極電流ID。這種器件利用柵極和源極這宰的電壓UGS平改變PN結中的電場,然后控制漏極電流ID,故稱為場效應管。對于結型場效應管來說,總是在柵極和源極之間加一個反抽偏置電壓,使PN結反向偏置,此時可以認為柵極基本上不取電流,因此,場效應管的輸入電阻很高。
烜芯微專業制造二極管,三極管,MOS管,橋堆等,20年,工廠直銷省20%,1500家電路電器生產企業選用,專業的工程師幫您穩定好每一批產品,如果您有遇到什么需要幫助解決的,可以直接聯系上方的聯系號碼或加QQ,由我們的銷售經理給您精準的報價以及產品介紹
烜芯微專業制造二極管,三極管,MOS管,橋堆等,20年,工廠直銷省20%,1500家電路電器生產企業選用,專業的工程師幫您穩定好每一批產品,如果您有遇到什么需要幫助解決的,可以直接聯系上方的聯系號碼或加QQ,由我們的銷售經理給您精準的報價以及產品介紹

