在選用瞬態電壓抑制二極管(TVS)時,必須考慮電路的具體條件,一般應遵循以下原則:
一、大箝位電壓Vc(MAX)不大于電路的最大允許安全電壓。
二、最大反向工作電壓(變位電壓)VRWM不低于電路的最大工作電壓,一般可以選VRWM等于或略高于電路最大工作電壓。
三、額定的最大脈沖功率,必須大于電路中出現的最大瞬態浪涌功率。
下面是TVS在電路應用中的典型例子:


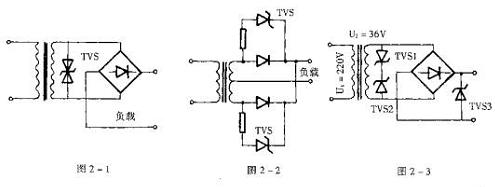
TVS用于交流電路:
圖2-1是一個雙向TVS在交流電路中的應用,可以有效地抑制電網帶來的過載脈沖,從而起到保護整流橋及負載中所有元器件的作用。TVS的箝位電壓不大于電路的最大允許電壓。
圖2-2所示是用單向TVS并聯于整流管旁側,以保護整流管不被瞬時脈沖擊穿,選用TVS必須是和整流管相匹配。
圖2-3所示電路中,單向TVS1和TVS2反接并聯于電源變壓器輸出端或選用一個雙向TVS,用以保護整流電路及負載中的元器件。TVS3保護整流以后的線路元件,如電源變壓器輸出端電壓為36伏時一般TVS1和TVS2的工作電壓VR應根據36×√2來選擇,其它參數依據電路中的具體條件而下。


TVS用于直流電路:
圖2-4所示TVS并聯于輸出端,可有效地保護控制系統。TVS的反向工作電壓應等于或略高于直流供電電壓,其它參數根據電路的具體條件而定。
圖2-5所示為兩個單向TVS連接在電源線路中,用以防止直流電源反接或電源通、斷時產生的瞬時脈沖使集成電路損壞。當電路連接有感性負載,如電機、斷電器線圈、螺線管時,會產生很高的瞬時脈沖電壓,
圖2-6中的TVS可以保護晶體管及邏輯電路,從而省去了較復雜的電阻/電容保護網絡。
圖2-7電路中TVS起保護和電壓限制的作用。
直流電中選用舉例:
整機直流工作電壓12V,最大允許安全電壓25V(峰值),浪涌源的阻抗50MΩ,其干擾波形為方波,TP=1MS,最大峰值電流50A。選擇:
1、先從工作電壓12V選取最大反向工作電壓VRWM為13V,則擊穿電壓
V(BR)=VRWM/0.85=15.3V
2、從擊穿電壓值選取最大箝位電壓Vc(MAX)=1.30×V(BR)=19.89V,取
Vc=20V
3、再從箝位電壓VC和最在峰值電流IP計算出方波脈沖功率:
PPR=VC×IP=20×50=1000W
4、計算折合為TP=1MS指數波的峰值功率,折合系數K1=1.4,
PPR=1000W÷1.4=715W
從手冊中可查到1N6147A其中PPR=1500W,變位電壓VRWM=12.2V,擊穿電壓V(BR)=15.2V,最大箝位電壓Vc=22.3V,最大浪涌電流IP=67.3A。可滿足上述設計要求,而且留有一倍的余量,不論方波還是指數波都適用。
交流電路應用舉例:
直流線路采用單向瞬變電壓抑制二極管,交流則必須采用雙向瞬變電壓抑制二極管。交流是電網電壓,這里產生的瞬變電壓是隨機的,有時還遇到雷擊(雷電感應產生的瞬變電壓)所以很難定量估算出瞬時脈沖功率PPR。但是對最大反向工作電壓必須有正確的選取。一般原則是交流電壓乘1.4倍來選取TVS管的最大反向工作電壓。直流電壓則按1.1—1.2倍來選取TVS管的最大反向工作電壓VRWM。


圖2-8給出了一個微機電源采用TVS作線路保護的原理圖,由圖可見:
在進線的220V~處加TVS管抑制220V~交流電網中尖峰干擾。
在變壓器進線加上干擾濾波器,濾除小尖峰干擾。
在變壓輸出端V~=20V處又加上TVS管,再一次抑制干擾。
到了直流10V輸出時還加上TVS管抑制干擾。
其中:雙向TVS管D1的VRWM=220V~×1.4=308V左右
雙向TVS管D2的VRWM=20V~×1.4=28V左右
單向TVS管D3的VRWM=10V~×1.2=12V左右
經過如上四次抑制,變成所謂的“凈化電源”,還可以加上其它措施,更有效地抑制干擾,防止干擾進入計算機的CPU及存貯器中,從而提高微機系統的應用可靠性。
從失效統計概率可知:微機系統產生100次故障,其中90次來自電源,10次是微機本身,可見電源的可靠性最重要,要提高整機可靠性,首先應提高電源的可靠性。
烜芯微專業制造二極管,三極管,MOS管,橋堆等20年,工廠直銷省20%,4000家電路電器生產企業選用,專業的工程師幫您穩定好每一批產品,如果您有遇到什么需要幫助解決的,可以點擊右邊的工程師,或者點擊銷售經理給您精準的報價以及產品介紹

