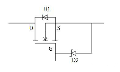
MOSFET在應用時通常有如下圖所示的D1,D2二極管電路,很多人都有疑問:兩個二極管究竟起什么作用呢?


1,D1為MOSFET內部的寄生二極管,可以保護D、S極。當D、S極產生瞬間反向大電流時,可通過D1導出,如果沒有該二極管,就有可能擊穿MOSFET。由于MOSFET工作頻率較高,所以要求D1的工作頻率也要高(即反向恢復時間要短,相當于一個快恢復二極管)。
2,D2通常為外加的靜電保護二極管,用以保護G、S極。由于MOSFET是絕緣柵型場效應管,柵極無直流通路,輸入阻抗高,極易引起靜電荷聚集,從而產生較高的電壓將柵極和源極之間的絕緣層擊穿,D2可以把靜電嵌位于穩壓二極管的穩壓值以下,有效保護G、S的絕緣層。但對于不同功率、不同型號的MOSFET其保護穩壓二極管的穩壓值是不同的。另外,小、中功率MOSFET通常需要保護二極管,而大功率MOSFET由于輸入電容較大,接觸到靜電后有一個充電的過程,產生的電壓較小,引起擊穿的可能較小,所以通常不需要保護二極管。
烜芯微專業制造二極管,三極管,MOS管,橋堆等20年,工廠直銷省20%,4000家電路電器生產企業選用,專業的工程師幫您穩定好每一批產品,如果您有遇到什么需要幫助解決的,可以點擊右邊的工程師,或者點擊銷售經理給您精準的報價以及產品介紹
烜芯微專業制造二極管,三極管,MOS管,橋堆等20年,工廠直銷省20%,4000家電路電器生產企業選用,專業的工程師幫您穩定好每一批產品,如果您有遇到什么需要幫助解決的,可以點擊右邊的工程師,或者點擊銷售經理給您精準的報價以及產品介紹

