超快恢復二極管模塊(FRED)類型MEO,MEE,MEA和MEK(圖1)是分立型DESEI向大電流的擴展,其特性不變。它可以用在所有MOSFET,IGBT或雙極性達林頓管電路中,工作頻率要高于1kHz。
如果要用幾個分立二極管井聯成小模塊,換用這些模塊可減小安裝時間和設備尺寸。一般FRED可用作大電流的IGBT或積極性達林頓管的續流二極管,或用作電源和焊接機的快速整流管。下面是一系列超快恢復二極管模塊(FRED)的應用。
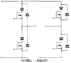
A. 用作拖動和UPS系統中單相或三相逆變器的續流二極管,采用PWM控制,開關頻率高于1kHz(圖2)。


圖1 現有的超快恢復二極管模塊(FRED)的電路圖


圖2 MEE型或MEO型
B. 用作開關電源或伺服驅動的續流二極管
(a)使用MOSFET和肖特基阻斷二極管的對稱全僑電路(圖3(a))
(b)使用MOSFET的正激變換器和直流電機驅動的不對稱全橋圖(圖3(b))


圖3 用作開關電源或伺服驅動的續流二極管
C. 用作電源或焊接機的整流
全波整流電路(圖4(a))中,根據負載電流的大小,可選擇幾個MEO模塊并聯。
共陰極拓樸(圖4(b))中,根據負載電流的大小,可選擇幾個MEK模塊井聯。
共陽極拓樸(圖4(c))中,根據負載電流的大小,可選擇幾個MEA模塊并聯。
全橋整流電路(圖4(d))中,根據負載電流的大小,可選擇幾個MEE或MEO模塊并聯。
高壓輸出的全橋整流電路(圖4(e))中,可使用兩個MEE模塊串聯獲得高阻斷電壓。
所有的超快恢復二極管模塊(FRED)中連續直流電流IFAVM的數值是在散熱器溫度TS=65℃,結溫TVJM=125℃(溫差60℃)的條件下給出的。
如與別的產品比較,要確定兩個模塊的結芯與散熱器溫差相等,因為溫差決定可流過的正向電流。
而且。超快恢復二極管模塊(FRED)的電流定額和阻斷損耗都是在TVJ=125℃和占空比d=50%條件下的。


圖4 不同超快恢復二極管模塊(FRED)在電源中作為輸出整流器的例子
烜芯微專業制造二極管,三極管,MOS管,橋堆等20年,工廠直銷省20%,4000家電路電器生產企業選用,專業的工程師幫您穩定好每一批產品,如果您有遇到什么需要幫助解決的,可以點擊右邊的工程師,或者點擊銷售經理給您精準的報價以及產品介紹
烜芯微專業制造二極管,三極管,MOS管,橋堆等20年,工廠直銷省20%,4000家電路電器生產企業選用,專業的工程師幫您穩定好每一批產品,如果您有遇到什么需要幫助解決的,可以點擊右邊的工程師,或者點擊銷售經理給您精準的報價以及產品介紹

