
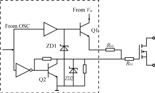
恒壓驅動電路
這是恒壓驅動電路,它利用穩壓二極管ZD1(8.6V)來保護恒定的驅動信號幅度。當驅動信號為正脈沖時,Q1導通,通過電阻RG1+RG2對MOSFET激勵使之成為軟開關。當輸入信號為零電平時,Q1截止,Q2導通,MOSFET柵極電荷將經過一個較小的電阻RG1而迅速放電。穩壓二極管ZD1的作用是保護MOSFET在截止時不致于被上沖的VDS(500V~600V)通過D?G極間電容耦合到柵極而將管子損壞。
烜芯微專業制造二極管,三極管,MOS管,橋堆等20年,工廠直銷省20%,4000家電路電器生產企業選用,專業的工程師幫您穩定好每一批產品,如果您有遇到什么需要幫助解決的,可以點擊右邊的工程師,或者點擊銷售經理給您精準的報價以及產品介紹
烜芯微專業制造二極管,三極管,MOS管,橋堆等20年,工廠直銷省20%,4000家電路電器生產企業選用,專業的工程師幫您穩定好每一批產品,如果您有遇到什么需要幫助解決的,可以點擊右邊的工程師,或者點擊銷售經理給您精準的報價以及產品介紹

