為確保微機系統中電路穩定可靠工作,復位電路是必不可少的一部分,復位電路的第一功能是上電復位。一般微機電路正常工作需要供電電源為5V±5%,即4.75~5.25V。由于微機電路是時序數字電路,它需要穩定的時鐘信號,因此在電源上電時,只有當VCC超過4.75V低于5.25V以及晶體振蕩器穩定工作時,復位信號才會撤除,微機電路開始正常工作。
復位電路原理之概念
復位電路,就是利用它把電路恢復到起始狀態。就像計算器的清零按鈕的作用一樣,以便回到原始狀態,重新進行計算。和計算器清零按鈕有所不同的是,復位電路啟動的手段有所不同。一是在給電路通電時馬上進行復位操作;二是在必要時可以由手動操作;三是根據程序或者電路運行的需要自動地進行。復位電路都是比較簡單的大都是只有電阻和電容組合就可以辦到了。再復雜點就有三極管等等配合程序來進行了。
復位電路原理
復位電路工作原理如下圖所示,VCC上電時,C充電,在10K電阻上出現電壓,使得單片機復位;幾個毫秒后,C充滿,10K電阻上電流降為0,電壓也為0,使得單片機進入工作狀態。工作期間,按下S,C放電,在10K電阻上出現電壓,使得單片機復位。松開S,C又充電,幾個毫秒后,單片機進入工作狀態。


復位電路原理之復位電路類型
目前為止,單片機復位電路主要有四種類型:(1)微分型復位電路;(2)積分型復位電路;(3)比較器型復位電路;(4)看門狗型復位電路。
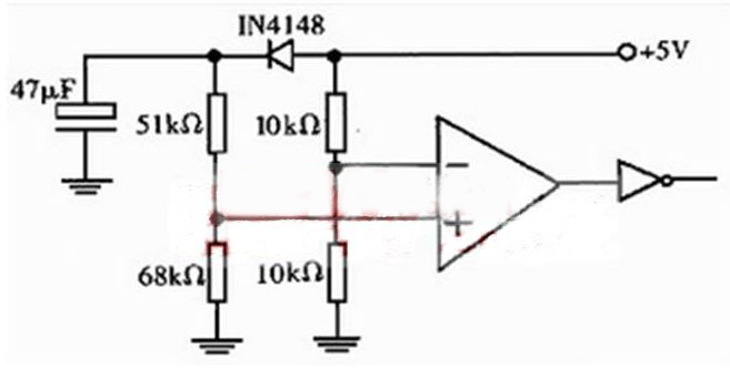
微分型復位電路


微分型復位電路如上圖所示。其中Ucc與單片機供電電源Us相連,Urst與單片機復位引腳相連。(通情況下,若使單片機復位,只需單片機復位引腳上保持一定持續時間的高電平即可。
復位電路原理之積分型復位電路
上電后,由于電容C3的充電和反相門的作用,使RST持續一段時間的高電平。當單片機已在運行當中時,按下復位鍵K后松開,也能使RST為一段時間的高電平,從而實現上電或開關復位的操作。


復位電路原理之比較器型復位電路
上電復位時,由于組成了一個RC低通網絡,所以比較器的正相輸入端的電壓比負相端輸入電壓延遲一定時間。而比較器的負相端網絡的時間常數遠遠小于正相端RC網絡的時間常數,因此在正端電壓還沒有超過負端電壓時,比較器輸出低電平,經反相器后產生高電平。復位脈沖的寬度主要取決于正常電壓上升的速度。


復位電路原理之看門狗型復位電路
看門狗型復位電路主要利用CPU正常工作時,定時復位計數器,使得計數器的值不超過某一值;當CPU不能正常工作時,由于計數器不能被復位,因此其計數會超過某一值,從而產生復位脈沖,使得CPU恢復正常工作狀態。
烜芯微專業制造二極管,三極管,MOS管,橋堆等20年,工廠直銷省20%,4000家電路電器生產企業選用,專業的工程師幫您穩定好每一批產品,如果您有遇到什么需要幫助解決的,可以點擊右邊的工程師,或者點擊銷售經理給您精準的報價以及產品介紹
烜芯微專業制造二極管,三極管,MOS管,橋堆等20年,工廠直銷省20%,4000家電路電器生產企業選用,專業的工程師幫您穩定好每一批產品,如果您有遇到什么需要幫助解決的,可以點擊右邊的工程師,或者點擊銷售經理給您精準的報價以及產品介紹

