場效應管經典電路,場效應管的應用很廣,能夠用于調制、放大、阻抗變換、穩流、限流和自動維護等電路中,本文集合了穩壓電源、DCDC轉換電源、開關電源、充電電路、恒流源、場效應管驅動電路圖、場效應管放大電路圖的應用實例等相關的經典電路資料。
一、場效應管經典電路-穩壓電源
1、3~25V電壓可調穩壓電路圖
此穩壓電源可調范圍在3.5V~25V之間任意調節,輸出電流大,并采用可調穩壓管式電路,從而得到滿意平穩的輸出電壓。
工作原理:經整流濾波后直流電壓由R1提供給調整管的基極,使調整管導通,在V1導通時電壓經過RP、R2使V2導通,接著V3也導通,這時V1、V2、 V3的發射極和集電極電壓不再變化(其作用完全與穩壓管一樣)。調節RP,可得到平穩的輸出電壓,R1、RP、R2與R3比值決定本電路輸出的電壓值。
元器件選擇:變壓器T選用80W~100W,輸入AC220V,輸出雙繞組AC28V。FU1選用1A,FU2選用3A~5A。VD1、VD2選用 6A02。RP選用1W左右普通電位器,阻值為250K~330K,C1選用3300μF/35V電解電容,C2、C3選用0.1μF獨石電容,C4選用 470μF/35V電解電容。R1選用180~220Ω/0.1W~1W,R2、R4、R5選用10KΩ、1/8W。V1選用2N3055,V2選用 3DG180或2SC3953,V3選用3CG12或3CG80。


2、10A3~15V穩壓可調電源電路圖
無論檢修電腦還是電子制作都離不開穩壓電源,下面介紹一款直流電壓從3V到15V連續可調的穩壓電源,最大電流可達10A,該電路用了具有溫度補償特性的,高精度的標準電壓源集成電路TL431,使穩壓精度更高,如果沒有特殊要求,基本能滿足正常維修使用,電路見下圖。


其工作原理分兩部分,第一部分是一路固定的5V1.5A穩壓電源電路,第二部分是另一路由3至15V連續可調的高精度大電流穩壓電路。
第一路的電路非常簡單,由變壓器次級8V交流電壓通過硅橋QL1整流后的直流電壓經C1電解電容濾波后,再由5V三端穩壓塊LM7805不用作任何調整就可在輸出端產生固定的5V1A穩壓電源,這個電源在檢修電腦板時完全可以當作內部電源使用。
第二部分與普通串聯型穩壓電源基本相同,所不同的是使用了具有溫度補償特性的,高精度的標準電壓源集成電路TL431,所以使電路簡化,成本降低,而穩壓性能卻很高。
圖中電阻R4,穩壓管TL431,電位器R3組成一個連續可調得恒壓源,為BG2基極提供基準電壓,穩壓管TL431的穩壓值連續可調,這個穩壓值決定了穩壓電源的最大輸出電壓,如果你想把可調電壓范圍擴大,可以改變R4 和R3的電阻值,當然變壓器的次級電壓也要提高。
變壓器的功率可根據輸出電流靈活掌握,次級電壓15V左右。橋式整流用的整流管QL用15-20A硅橋,結構緊湊,中間有固定螺絲,可以直接固定在機殼的鋁板上,有利散熱。
調整管用的是大電流NPN型金屬殼硅管,由于它的發熱量很大,如果機箱允許,盡量購買大的散熱片,擴大散熱面積,如果不需要大電流,也可以換用功率小一點的硅管,這樣可以做的體積小一些。
濾波用50V4700uF電解電容C5和C7分別用三只并聯,使大電流輸出更穩定,另外這個電容要買體積相對大一點的,那些體積較小的同樣標注50V4700uF盡量不用,當遇到電壓波動頻繁,或長時間不用,容易失效。
最后再說一下電源變壓器,如果沒有能力自己繞制,有買不到現成的,可以買一塊現成的200W以上的開關電源代替變壓器,這樣穩壓性能還可進一步提高,制作成本卻差不太多,其它電子元件無特殊要求,安裝完成后不用太大調整就可正常工作。
二、場效應管經典電路-開關電源
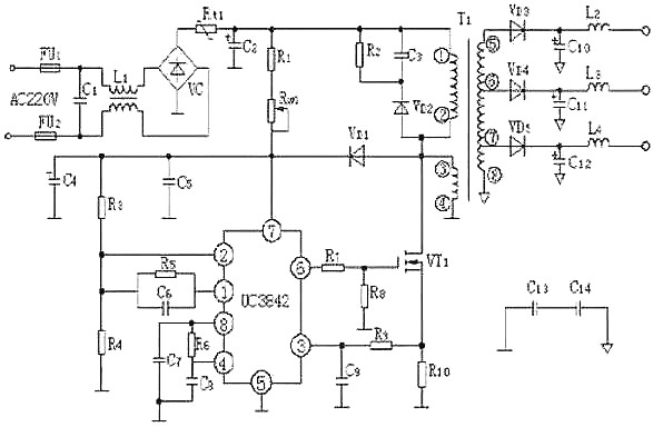
1、PWM開關電源集成控制IC-UC3842工作原理
下圖為UC3842 內部框圖和引腳圖,UC3842 采用固定工作頻率脈沖寬度可控調制方式,共有8 個引腳,各腳功能如下:
①腳是誤差放大器的輸出端,外接阻容元件用于改善誤差放大器的增益和頻率特性;
②腳是反饋電壓輸入端,此腳電壓與誤差放大器同相端的2.5V 基準電壓進行比較,產生誤差電壓,從而控制脈沖寬度;
③腳為電流檢測輸入端, 當檢測電壓超過1V時縮小脈沖寬度使電源處于間歇工作狀態;
④腳為定時端,內部振蕩器的工作頻率由外接的阻容時間常數決定,f=1.8/(RT×CT);
⑤腳為公共地端;
⑥腳為推挽輸出端,內部為圖騰柱式,上升、下降時間僅為50ns 驅動能力為±1A ;
⑦腳是直流電源供電端,具有欠、過壓鎖定功能,芯片功耗為15mW;⑧腳為5V 基準電壓輸出端,有50mA 的負載能力。


UC3842 內部原理框圖
UC3842是一種性能優異、應用廣泛、結構較簡單的PWM開關電源集成控制器,由于它只有一個輸出端,所以主要用于音端控制的開關電源。
UC3842 7腳為電壓輸入端,其啟動電壓范圍為16-34V。在電源啟動時,VCC﹤16V,輸入電壓施密物比較器輸出為0,此時無基準電壓產生,電路不工作;當 Vcc﹥16V時輸入電壓施密特比較器送出高電平到5V蕨穩壓器,產生5V基準電壓,此電壓一方面供銷內部電路工作另一方面通過
⑧腳向外部提供參考電壓。一旦施密特比較器翻轉為高電平(芯片開始工作以后),Vcc可以在10V-34V范圍內變化而不影響電路的工作狀態。當Vcc低于10V時,施密特比較器又翻轉為低電平,電路停止工作。
當基準穩壓源有5V基準電壓輸出時,基準電壓檢測邏輯比較器即達出高電平信號到輸出電路。同時,振蕩器將根據④腳外接Rt、Ct參數產生 f=/Rt.Ct的振蕩信號,此信號一路直接加到圖騰柱電路的輸入端
另一路加到PWM脈寬市制RS觸發器的置位端,RS型PWN脈寬調制器的R端接電流檢測比較器輸出端。R端為占空調節控制端,當R電壓上升時,Q端脈沖加寬,同時⑥腳送出脈寬也加寬(占空比增多);當R端電壓下降時,Q端脈沖變窄,同時 ⑥腳送出脈寬也變變窄(占空比減小)。
UC3842各點時序如圖所示,只有當E點為高電平時才有信號輸出 ,并且a、b點全為高電平時,d點才送出高電平,c點送出低電平,否則d點送出低電平,c點送出高電平。②腳一般接輸出電壓取樣信號,也稱反饋信號。當② 腳電壓上升時,①腳電壓將下降,R端電壓亦隨之下降,于是⑥腳脈沖變窄;反之,⑥腳脈沖變寬。
③腳為電流傳感端,通常在功率管的源極或發射極串入一小阻值取樣電阻,將流過開關管的電流轉為電壓,并將此電壓引入境腳。當負載短路或其它原因引起功率管電流增加,并使取樣電阻上的電壓超過1V時,⑥腳就停止脈沖輸出,這樣就可以有效的保護功率管不受損壞。


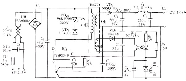
2、TOP224P構成的12V、20W開關直流穩壓電源電路
由TOP224P構成的 12V、20W開關直流穩壓電源電路如圖所示。
電路中使用兩片集成電路:TOP224P型三端單片開關電源(IC1),PC817A型線性光耦合器 (IC2)。交流電源經過UR和Cl整流濾波后產生直流高壓Ui,給高頻變壓器T的一次繞組供電。
VDz1和VD1能將漏感產生的尖峰電壓鉗位到安全值, 并能衰減振鈴電壓。VDz1采用反向擊穿電壓為200V的P6KE200型瞬態電壓抑制器,VDl選用1A/600V的UF4005型超快恢復二極管。
二 次繞組電壓通過V砬、C2、Ll和C3整流濾波,獲得12V輸出電壓Uo。Uo值是由VDz2穩定電壓Uz2、光耦中LED的正向壓降UF、R1上的壓降 這三者之和來設定的。
改變高頻變壓器的匝數比和VDz2的穩壓值,還可獲得其他輸出電壓值。R2和VDz2五還為12V輸出提供一個假負載,用以提高輕載 時的負載調整率。反饋繞組電壓經VD3和C4整流濾波后,供給TOP224P所需偏壓。由R2和VDz2來調節控制端電流,通過改變輸出占空比達到穩壓目的。
共模扼流圈L2能減小由一次繞組接D端的高壓開關波形所產生的共模泄漏電流。C7為保護電容,用于濾掉由一次、二次繞組耦合電容引起的干擾。C6可減 小由一次繞組電流的基波與諧波所產生的差模泄漏電流。C5不僅能濾除加在控制端上的尖峰電流,而且決定自啟動頻率,它還與R1、R3一起對控制回路進行補償。


三、場效應管經典電路-DC-DC電源
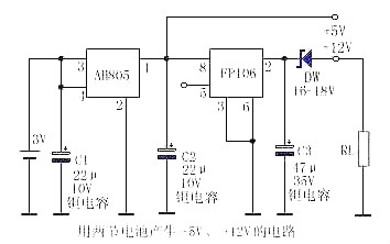
1、3V轉+5V、+12V的電路圖
由電池供電的便攜式電子產品一般都采用低電源電壓,這樣可減少電池數量,達到減小產品尺寸及重量的目的,故一般常用3~5V作為工作電壓,為保證電路工作的穩定性及精度,要求采用穩壓電源供電。
若電路采用5V工作電壓,但另需一個較高的工作電壓,這往往使設計者為難。本文介紹一種采用兩塊升壓模塊組成的電路可解決這一難題,并且只要兩節電池供電。
該電路的特點是外圍元件少、尺寸小、重量輕、輸出+5V、+12V都是穩定的,滿足便攜式電子產品的要求。+5V電源可輸出60mA,+12V電源最大輸出電流為5mA。


該電路如上圖所示。它由AH805升壓模塊及FP106升壓模塊組成。AH805是一種輸入1.2~3V,輸出5V的升壓模塊,在3V供電時可輸出 100mA電流。FP106是貼片式升壓模塊,輸入4~6V,輸出固定電壓為29±1V,輸出電流可達40mA,AH805及FP106都是一個電平控制的關閉電源控制端。
兩節1.5V堿性電池輸出的3V電壓輸入AH805,AH805輸出+5V電壓,其一路作5V輸出,另一路輸入FP106使其產生28~30V電壓,經穩壓管穩壓后輸出+12V電壓。
從圖中可以看出,只要改變穩壓管的穩壓值,即可獲得不同的輸出電壓,使用十分靈活。FP106的第⑤腳為控制電源關閉端,在關閉電源時,耗電幾乎為零,當第⑤腳加高電平》2.5V時,電源導通;當第⑤腳加低電平<0.4V時,電源被關閉。可以用電路來控制或手動控制,若不需控制時,第⑤腳與第 ⑧腳連接。
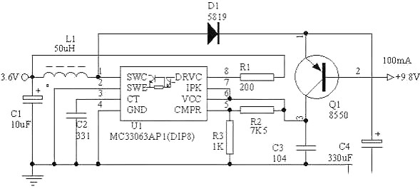
2、用MC34063做3.6V電轉9V電路圖
工作狀態:
1、無負載:輸入:3.65V、18uA(相當600mAH的電池待機三年多)
2、有負載:輸出:9.88V、50.2mA,輸入:3.65V、186.7mA,效率為72%
工作原理:
無負載時,IC的 6腳沒有電,停止工作,輸入端3.65V工作電流只有18uA(相當600mAH的電池待機三年多)!
當有負載時(Q1有Ieb電流)8550的EC極導通,IC得電工作。IC是否工作是由是否有負載決定的,就相當一個電池。用IC做電壓轉換效率高,輸出穩定!
這個電路加點改進,增加功率可以做“不需開關的4.2V轉5V移動電源”。可以用個電池盒做手機的后備電源!


四、場效應管經典電路-充電電路
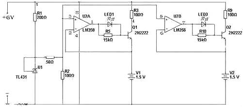
1、lm358堿性電池充電器電路圖


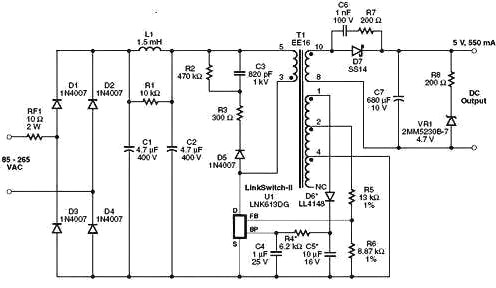
2、2.75W中功率USB充電器電路圖
該設計采用了Power Integrations的LinkSwitch系列產品LNK613DG。這種設計非常適合手機或類似的USB充電器應用,包括手機電池充電器、USB 充電器或任何有恒壓/恒流特性要求的應用。
在電路中,二極管D1至 D4對AC輸入進行整流,電容C1和C2對DC進行濾波。L1、C1和C2組成一個π型濾波器,對差模傳導EMI噪聲進行衰減。這些與Power Integrations的變壓器E-sheild?技術相結合,使本設計能以充足的裕量輕松滿足EN55022 B級傳導EMI要求,且無需Y電容。防火、可熔、繞線式電阻RF1提供嚴重故障保護,并可限制啟動期間產生的浪涌電流。


圖1顯示U1通過可選偏置電源實現供電,這樣可以將空載功耗降低到40 mW以下。旁路電容C4的值決定電纜壓降補償的數量。1μF的值對應于對一條0.3 Ω、24 AWG USB輸出電纜的補償。(10 μF電容對0.49 Ω、26 AWG USB輸出電纜進行補償。)
在恒壓階段,輸出電壓通過開關控制進行調節。輸出電壓通過跳過開關周期得以維持。通過調整使能與禁止周期的比例,可以維持穩壓。這也可以使轉換器的效率在整個負載范圍內得到優化。輕載(涓流充電)條件下,還會降低電流限流點以減小變壓器磁通密度,進而降低音頻噪音和開關損耗。隨著負載電流的增大,電流限流點也將升高,跳過的周期也越來越少。
五、場效應管經典電路-恒流源
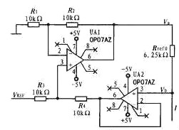
1、淺談如何設計三線制恒流源驅動電路
恒流源驅動電路負責驅動溫度傳感器Pt1000,將其感知的隨溫度變化的電阻信號轉換成可測量的電壓信號。本系統中,所需恒流源要具有輸出電流恒定,溫度穩定性好,輸出電阻很大,輸出電流小于0.5 mA(Pt1000無自熱效應的上限),負載一端接地,輸出電流極性可改變等特點。
由于溫度對集成運放參數影響不如對晶體管或場效應管參數影響顯著,由集成運放構成的恒流源具有穩定性更好、恒流性能更高的優點。尤其在負載一端需要接地的場合,獲得了廣泛應用。所以采用圖2所示的雙運放恒流源。其中放大器UA1構成加法器,UA2構成跟隨器,UA1、UA2均選用低噪聲、低失調、高開環增益雙極性運算放大器OP07。


2、開關電源式高耐壓恒流源電路圖
研制儀器需要一個能在0到3兆歐姆電阻上產生1MA電流的恒流源,用UC3845結合12V蓄電池設計了一個,變壓器采用彩色電視機高壓包,其中L1用漆包線在原高壓包磁心上繞24匝,L3借助原來高壓包的一個線圈,L2借助高壓包的高壓部分。L3和LM393構成限壓電路,限制輸出電壓過高,調節R10 可以調節開路輸出電壓。


六、場效應管放大電路圖的應用實例
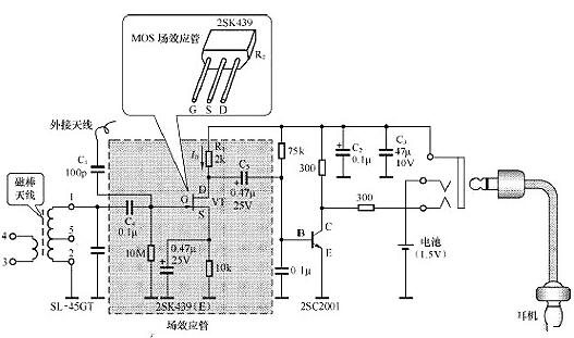
圖所示是一種雙管袖珍收音機電路,它采用兩只晶體管,這種電路具有較高的靈敏度。


在該場效應管放大電路圖,電池作為直流電源通過負載電阻R1為場效應管的漏極提供偏置電壓,使其工作在放大狀態。由外接天線接收天空中的各種信號,交流信號通過C1進入LC諧振電路。LC諧振電路是由磁棒線圈和電容組成的,諧振電路選頻后,將信號經C4耦合至場效應管VT的柵極,與柵極負偏壓疊加后加到場效應管的柵極上,使場效應管的漏極電流ID相應變化,并在負載電阻R1上產生壓降,經C5隔離直流后輸出,在輸出端即得到放大了的信號電壓。放大后的信號送入晶體管的基極,由晶體管放大后輸出較純凈的音頻信號送到耳機中。
七、場效應管驅動電路圖

烜芯微專業制造二三極管,MOS管,20年,工廠直銷省20%,1500家電路電器生產企業選用,專業的工程師幫您穩定好每一批產品,如果您有遇到什么需要幫助解決的,可以點擊右邊的工程師,或者點擊銷售經理給您精準的報價以及產品介紹

烜芯微專業制造二三極管,MOS管,20年,工廠直銷省20%,1500家電路電器生產企業選用,專業的工程師幫您穩定好每一批產品,如果您有遇到什么需要幫助解決的,可以點擊右邊的工程師,或者點擊銷售經理給您精準的報價以及產品介紹

